0371-62266660
一、产品概述
采用IS型单级单吸离心泵之性能参数,在一般立式泵的基础上进行巧妙组合设计而成,同时根据使用温度、介质等不同在IHGB型基础上派生出适用热水、高温耐腐蚀化工泵、油泵。该系列产品具有节能、噪音低、性能可靠等优点,符合国家机械部JB/T53058-93的标准要求,产品按国际ISO2858标准设计制造。
二、产品特点
具有运转更平稳、使用寿命长配套更方便、维护保养更轻松等优点。是替代ISG型立式泵、IS型离心泵、S型双吸泵等常规各种离心泵的理想产品。
三、主要用途
用于冶金、化工、纺织、木材加工、造纸及饭店、浴室、宾馆等锅炉高温热水增压循环输送及城市采暖系统供热用泵。
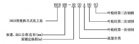
四、型号意义

技术参数
流量Q:3.7—1450m3/h
扬程H:5—133m
转速n:970—2900r/min
温度:≤120℃
口径:φ15—φ500mm
工作条件
1.吸入压力≤1.0MPa,或泵系统高工作压力≤1.6MPa,即吸入口压力+泵扬程≤1.6MPa、泵静压试验压力为≤2.5MPa,订货时请注明系统工作压力。泵系统工作压力大于1.6MPa时应在订货时另行提出,以便在制造时泵的过流部分和联接部分采用铸钢材料。
2.环境温度<40℃,相对湿度<40%。
3.所输送介质中固体颗粒体积含量不超过单位体积的0.1,粒度<0.2mm。
注:如果用介质为带有细小颗粒,请在订货时说明,以便厂家采用耐磨式机械密封。
安装尺寸
1、安装前应检查机组紧固件有无松动现象,泵体流道有无异常无堵塞,以免水泵运行时损坏叶轮和泵体。
2、安装时管道重量不应加在水泵上,以免使泵变形。
3、安装时必须拧紧地脚螺栓,以免起动时振动对泵性能的影响。
4、为了维修方便和使用安全,在泵的进出口管路上各安装一只调节阀及在泵出口附件安装一只压力表,以保证在额定扬程和流量范围内运行,确保泵正常运行,增长水泵的使用寿命。
5、安装后拔出泵轴,叶轮应无摩擦声或卡死现象,泵则应将泵拆开检查原因。
6、泵分硬性联接安装和柔性联接安装两种(见联接方式)。